技术 | 车载OBC应用笔记-功率MOS管

来源: 无锡新洁能股份有限公司 2025-10-14 09:44:27

第一部分:系统分析

1、系统框架:

随着电动汽车的发展,功率MOS管在汽车电子的应用也日益增多,本文就车载OBC中全桥变换器功率MOS应用及注意事项做简单记要。

  

定义:

OBC是车载充电机的简称(On Board Charger),主要功能:电网电压经由地面交流充电桩、交流充电口,连接至车载充电机,给电动电池进行充电。电动汽车的OBC主要由功率电路(PFC+移相全桥/LLC)和控制电路组成,可分为单向OBC和双向OBC,单向OBC只能给动力电池充电,双向OBC可以把动力电池的直流电逆变成为家用220V交流电。

  

OBC基本框架:

全桥 LLC 谐振变换器以能在宽输入全负载范围内实现原边开关管的零电压开通和副边整流二极管的零电流关断,降低了开关损耗,而且变压器的漏感可作为谐振电感,减小了变换器的体积等优点,成为当前谐振变换器主流。在全桥LLC变换器中需要一个带有反向快速恢复体二极管的MOSFET,才能获得更高的可靠性。

2、工作原理

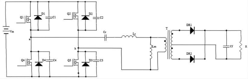
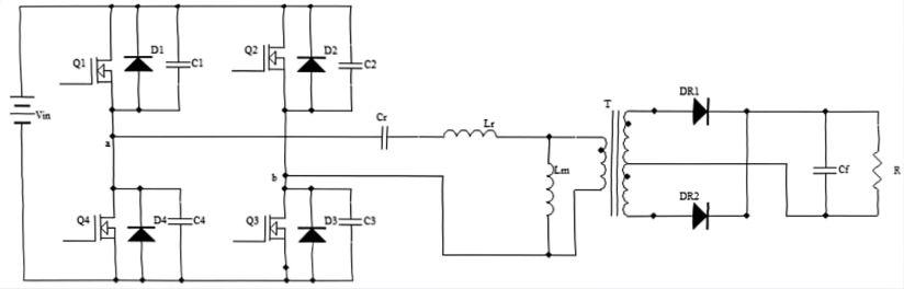
全桥变换电路基本架构:

上图中,Q1-Q4为主功率开关管,D1-D4,C1-C4 为开关管的体二极管与寄生电容,T 为主功率变压器,谐振电感 Lr(也可是变压器的漏感),谐振电容 Cr 和励磁电感 Lm 组成 LLC 谐振变换器的谐振网络。

  

基本工作原理和工作时序:

  阶段 1 (t0 - t1 ): 在 t=t0 时刻之前,Q1,Q3 的 寄生反并联二极管D1,D3 已经导通,因此,在 t=t0 时刻,Q1,Q3 实现零电压开通。 变压器原边承受正向电压,整流二极管DR1 导通, 为负载提供能量,DR2截止。 此时励磁电感的电压被钳位在 nV0 ,不参与谐振过程,励磁电流im 线性上升。

  阶段 2(t1 - t2 ):在 t=t1 时刻,谐振电流 ir 与励磁电流 im 相等,整流二极管 DR1 零电流关断, 输出侧与谐振回路完全脱离,DR1和 DR2 的电流为零,励磁电感 Lm 不在被钳位,参与谐振过程,谐振电流 ir 继续对谐振电容 Cr 充电。

  阶段 3(t2 - t3 ):在 t=t2 时刻,开关管 Q1、Q3 关断,谐振电流ir 对 Q1、Q3 的结电容充电,Q2、Q4 的结电容放电,在 t3 时刻,Q2,Q4 两端电压下降到零, 为 Q2,Q4 零电压开通准备了条件。

  阶段 4(t3 -t4 ):开关管 Q1、Q3 仍是关断状态,ir 和 im 都在下降,变压器原边承受反向电压,整流二极管 DR2 导通。 励磁电感的电压重新被输出钳位,所以,退出谐振过程,参与谐振的只有谐振电感 Lr 和谐振电容 Cr 。

  阶段 5(t4 - t5 ):在 t=t4 时刻,开关管 Q2,Q4 开通,输入电压通过 Lr ,Cr 谐振向负载传输能量。 在 t=t5 时刻,谐振电流 ir 与达到励磁电流 im 相等, 输出侧与谐振回路脱离, 整流二极管DR2 实现零电流关断,Lm 仍被钳位,不参加谐振,励磁电流 i m线性下降。

  阶段 6(t5 - t6 ):在 t=t5 时刻,整流二极管 DR2 零电流关断,输出侧与谐振回路脱离,励磁电感的电压不在被钳位,参与谐振过程。

  阶段 7(t6 - t7 ):在 t=t6 时刻,开关管 Q2、Q4 关断,Q1、Q3 结电容放电。 在 t=t7 时刻,寄生二极管 D1、D3 导通,Q1、Q3 两端的电压下降到零, 为开关管 Q1、Q3 的零电压开通准备了条件。

  阶段 8(t7 - t8 ):开关管 Q2、Q4 仍然关断,整流二极管 DR1导通。 励磁电感的电压被输出钳位,所以,不参与谐振过程,发生谐振的只有谐振电感 Lr 和谐振电容 Cr 。

  

工作波形如下:

第二部分:失效模式分析

1、启动失效模式

在变换器启动开始前,谐振电容和输出电容刚好完全放电。与正常工作状况相比,在启动过程中,这些空电容会使低边开关的体二极管深度导通。因此流经体二极管的反向恢复电流非常高,致使当高边开关导通时引起直通问题。

启动状态下潜在失效模式简化图

在t4~t5时段,MOSFET流过非常大的直通电流,该电流由MOSFET体二极管的反向恢复电流引起。这会产生很大的反向恢复dv/dt,加剧栅极振荡,严重时会击穿mos。当采用的MOSFET体二极管的反向恢复特性较差时,这种失效机理将会更加严重。

启动状态时功率MOSFET的测量波形

 

2、过载失效模式

过载时功率MOSFET的测量波形

变换器正常工作在ZVS区域,但过载时,工作点移动到ZCS区域,并且串联谐振变换器特性成为主导。过载情况下,开关电流增加,ZVS消失,Lm被反射负载RLOAD完全短路。这种情况通常会导致变换器工作在ZCS区域。ZCS(谐振点以下)严重的缺点是:开通时为硬开关,从而导致二极管反向恢复应力。此外,还会增加开通损耗,产生噪声或EMI。

二极管关断伴随非常大的dv/dt,因此在很大的di/dt条件下,会产生很高的反向恢复电流尖峰。该大电流会使MOSFET损耗大大增加、发热严重。MOSFET结温的升高会降低其 dv/dt的能力。在极端情况下,损坏MOSFET,使整个系统失效。

3、短路失效模式

短路时,MOSFET导通电流非常高(理论上无限高),频率也会降低。当发生短路时,谐振回路中Lm被旁路。LLC谐振变换器可以简化为由Cr和 Lr组成的谐振电路,因为Cr只与Lr发生谐振。短路时次级二极管在CCM模式下连续导通。短路状态下工作模式几乎与过载状态下一样,但是短路状态更糟糕,因为流经开关体二极管的反向恢复电流更大。

短路时功率MOSFET的测量波形

第三部分:器件失效原理分析

1、体二极管反向恢复dv/dt 

二极管由通态到反向阻断状态的开关过程称为反向恢复。下图给出了MOSFET体二极管反向恢复的波形。首先体二极管正向导通,持续一段时间。这个时段中,二极管P-N结积累电荷。当反向电压加到二极管两端时,释放储存的电荷,回到阻断状态。在此过程中,反向电流迅速上升并达到峰值,随后逐渐衰减至零。由于载流子复合需要一定时间,体二极管在反向恢复期间呈现短暂的导通状态,导致瞬态大电流与高电压同时存在于器件中,产生显著的功率应力。这一阶段的dv/dt过高会引发较大的位移电流,可能造成栅极电压抬升,诱发MOSFET误导通,进而加剧损耗,甚至导致器件热失效。

体二级管反向恢复时电流和电压波形
体二级管反向恢复时电流和电压波形

2、击穿 dv/dt

另一种失效模式是击穿dv/dt。它是击穿和静态 dv/dt 的组合。功率器件同时承受雪崩电流和位移电流。如果开关过程非常快,在体二极管反向恢复过程中,漏源极电压可能超过最大额定值。过高的电压峰值使 MOSFET 进入雪崩击穿模式。dv/dt 越大,建立起的位移电流就越大。位移电流叠加到雪崩电流后,器件受到伤害,导致失效。基本上,导致失效的根本原因是大电流、高温度引起的寄生BJT导通,但主要原因是体二极管反向恢复或击穿。实践中,这两种失效模式随机发生,有时同时发生。

第四部分:案例分析

案例1:客户3.3KW充电机应用

问题点:关断栅极震荡严重

使用NCE65TF099做LLC电路,输入直流320V到460V,输出交流220V,负载15A。

主电路图:

问题描述:在测试过程中,发现MOS存在关断震荡的情况,测试波形如下:

测试发现黄色波形的震荡产生在MOS管DS向上爬升阶段,说明体二极管漏源电压突然上升,CGD位移电流给QGS充电,栅压过冲上升。

改进方法:

  在MOS管G、D极增加磁珠

  加大DS的吸收(222+2.2Ω)

  加大MOS的驱动电阻(22Ω),减小MOS的关断电阻4.7Ω

  在GS端并联电容,最大加大到332,均可有效抑制正端及驱动负电压。

  更改后测试波形:

结论:通过对全桥LLC电路的调整,加大驱动电阻、减小关断电阻、同时在G、D增加磁珠能有效防止驱动震荡。

  
案例2:客户10KW充电机应用

问题点:上电启动失效

使用NCE65NF036T做LLC电路,输入直流320V到460V,输出交流220V,负载45A。

  驱动局部电路图:

问题描述:器件体二极管反向恢复期间,上下管出现直通。启动瞬间器件失效,测量波形如下;

改进方法:

  开通电阻有原先10ohm调整为 43ohm,关断用三极管直接下拉。

  更改后测量波形:启动工作正常,未发生直通损坏。

结论:通过调整,加大驱动电阻、减小关断电阻,降低其开通速度减小di/dt,从而减小体二极管的反向恢复dv/dt,避免栅极驱动电压抬升过高,导致直通。

专题

查看更多
IC品牌故事

IC 品牌故事 | 三次易主,安世半导体的跨国迁徙

IC 品牌故事 | 开放合作+特色深耕,华虹的突围之路

IC 品牌故事 | Wolfspeed:从LED到SiC,被中国厂商围追堵截的巨头

人形机器人

市场 | 全球首家机器人6S店在深圳龙岗开业

方案 | Allegro解决方案助力机器人应用提升效率、可靠性和创新

方案 | 爱仕特SiC三电平方案:突破工商储能PCS高效极限

毫米波雷达

毫米波雷达 | 智能驾驶不可或缺的4D毫米波雷达技术全解析

毫米波雷达 | 有哪些热门毫米波雷达芯片和解决方案?

毫米波雷达 | 超百亿美元的毫米波雷达都用在了哪里?

0
收藏
0