技术 | 设计配备电源导轨与处理器导轨监测解决方案的数据中心电源架构

来源: 德州仪器 2025-10-11 16:03:08

机器智能正在开启生产力的新时代,并逐渐融入我们生活和社会的各个学科和职能领域当中。机器智能依赖计算平台来执行代码、解读数据,并能在瞬间从数万亿数据点中获取信息。支撑机器智能的计算硬件需具备高速度、极高可靠性与强大功能。设计人员必须将稳健的设计实践与自诊断功能及持续监测方案相结合,才能预防或管理系统中的潜在故障,如数据损坏或通信错误。

  
此类监测系统的一个核心要素是对全系统电源导轨进行监控。本文将探讨并阐述为企业应用设计电源导轨与处理器导轨监测解决方案的最佳实践。

了解电源架构

企业计算依赖复杂的电源架构,将交流电能从电源输送至系统各负载点。图 1 简要展示了服务器机架中的元件。

图 1 服务器机架概略图表:分布式电池备份单元 (BBU) 和电源单元 (PSU) 连接至汇流条,由汇流条向机架分配交流电。

 

高效 PSU(钛金级设计的效率通常高于 91%)将交流电(208V 或 240V)转换为 48V 并分配到整个机架。然后,配电板 (PDB) 将直流电源转换为各种电压(通常为 12V、5V、3.3V),为主板、存储、网络接口卡 (NIC)、交换机及系统散热等子系统供电。每个子系统均配备有在本地管理的电源架构。电池备份单元 (BBU) 在交流线路中断时维持系统电力供应。

  
耐用性设计

每个子系统都需要可靠的电源设计与监测。我们来进一步探讨其中的部分子系统。

  
PSU

PSU 具有多种监测类型,以确保可靠的运行和输电。PSU 可监测交流电源的输出电压,同时检测内部温度、过压和欠压情况以及短路。

  
服务器设计还需要 N+1 冗余:“N”表示满足服务器电源需求的最少 PSU 数量。如果其中一个 PSU 遇到临时或永久故障或失效,则可使用附加的 PSU(“+1”)。

 

PDB

如前所述,PDB 将 48V 输入转换为多种直流导轨电压,包括 12V、5V 和 3.3V。尽管可以采用带简单并联基准的比较器来监测各电源轨的过压/欠压情况,但现代电压监控器不仅尺寸小巧、易于设计,还具有诸多额外优势,例如磁滞与输入检测延迟实现防噪性能,可调输出延迟避免加电期间误触发更高精度造就最高的检测可靠性

  
许多新的电压监控器(例如德州仪器 (TI) TPS3760)的额定电压高达 70V,可直接监测 48V 和其他总线电压,无需低压降稳压器或专用电源导轨。除了实时监控,高级监测集成电路还可以提供最重要导轨电压的遥测数据,实现预测性维护和历史故障分析,从而显著减少系统停机时间。

  
另一个设计注意事项是早期电源故障检测。这些电路会监测特定电源导轨是否突然出现压降,并提醒主机或处理器在预期断电前迅速采取措施。高速且精密的欠压监控器可执行此功能。图 2 展示了此类设计的示例及其计时示意图。

图 2 计时示意图的电压监控器示例,监测 0.85 至 6.0V 电源导轨是否突然出现压降,以便在断电时采取措施。

主板

主板电源导轨给设计人员带来了一系列不同的挑战,本节将更详细地探讨这些挑战。

  
处理器导轨监测

现代处理器对电源导轨的波动极为敏感。造成这种情况的原因有很多,但主要是因为这些处理器在低至 0.7V 的电压下运行,对电压波动的容差更低,而且采用了动态电压和频率调节等功能。

  

因此,这些处理器需要高精度的窗口电压监控器。窗口监控器可监测电源电压是否存在过压和欠压情况。适用于这些应用的器件(如 TI 的 TPS389006)具有 ±6mV 的精度。设计人员可以通过 I2C 寄存器将毛刺滤波器调整至高达 650ns。

  
电源导轨设计的另一个核心方面是系统在负载快速瞬变期间保持稳定的能力。现代处理器可在几微秒内从空闲状态切换到满载状态,如果电源和监测系统没有设计快速环路响应和适当的输出电容,则会导致急剧的压降或过冲。

  
正确的加电和断电时序对于主板和处理器也至关重要。时序控制可确保系统正确初始化,例如,处理器可能要求内存控制器正常运行后再执行指令。时序控制还可防止加电期间输入较大的浪涌电流和电压峰值。在断电期间,时序控制可在断电之前为内存和存储器件提供足够的时间来保存数据或完成操作,从而保持数据完整性。

  
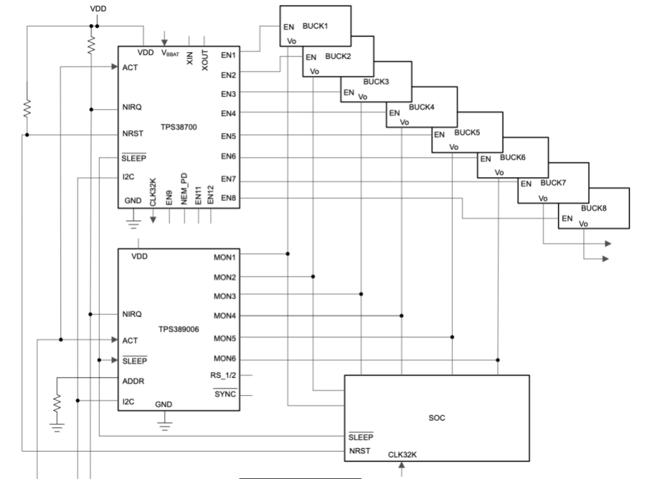
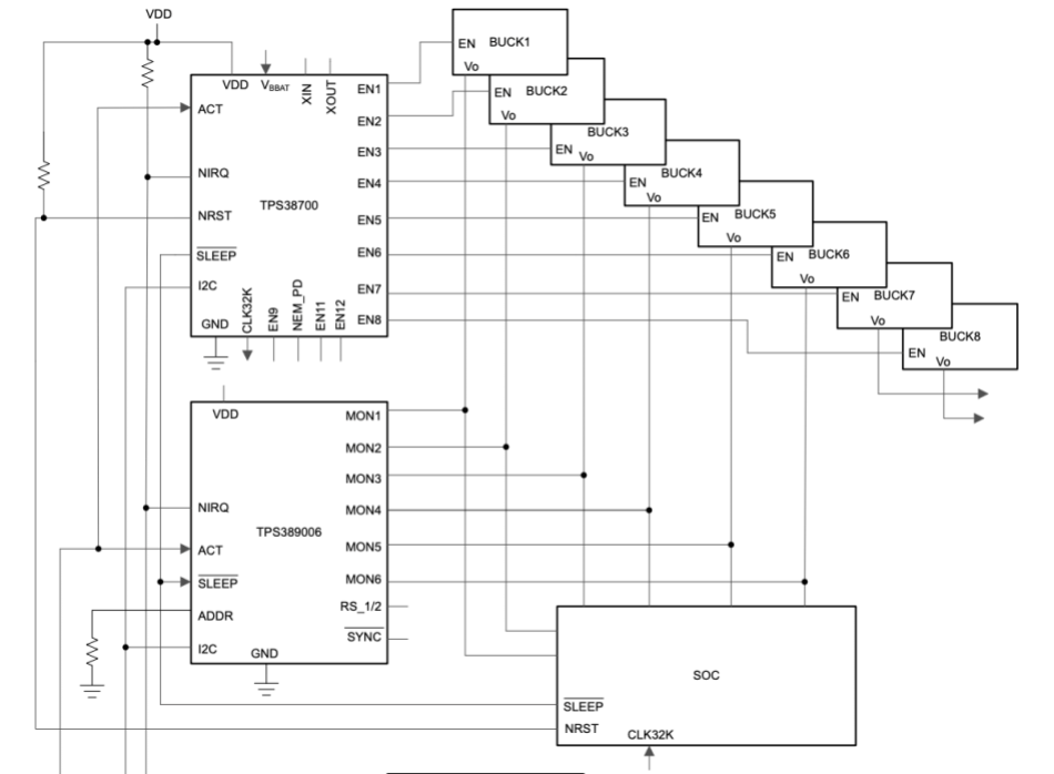
图 3 提供了监测电源导轨和对其进行时序控制的设计示例。

图 3 实现正确系统初始化的电源导轨监测与和时序控制示例。

最后,管理输入浪涌电流对配备热插拔元件的系统至关重要,可避免触发电路保护或导致电源总线失稳。集成限流与故障检测功能的热插拔控制器可确保顺利插入和移除,不会影响其他正在运行的子系统。

未来趋势

企业行业已蓄势待发,准备切换至 400VDC 配电系统,这将消除冗余的变电环节和 I²R 损耗,提升效率,并减少铜材用量与成本。此类高压系统将需要更强大的导轨监测能力,配合更快的故障检测与隔离技术,以维持安全性与系统正常运行时间。为了满足该领域未来的设计需求,新一代高压监测解决方案应运而生。

  
卓越的电源架构对于企业系统持续可靠运行至关重要。将稳健的电源设计实践实时监测早期故障检测相结合,有助于预防意外故障并保护关键工作负载。随着系统复杂度提升及电源架构演进(尤其是向更高压配电转型),精心规划与导轨监控将在提供安全高效的性能方面持续发挥作用。

专题

查看更多
IC品牌故事

IC 品牌故事 | 三次易主,安世半导体的跨国迁徙

IC 品牌故事 | 开放合作+特色深耕,华虹的突围之路

IC 品牌故事 | Wolfspeed:从LED到SiC,被中国厂商围追堵截的巨头

人形机器人

市场 | 全球首家机器人6S店在深圳龙岗开业

方案 | Allegro解决方案助力机器人应用提升效率、可靠性和创新

方案 | 爱仕特SiC三电平方案:突破工商储能PCS高效极限

毫米波雷达

毫米波雷达 | 智能驾驶不可或缺的4D毫米波雷达技术全解析

毫米波雷达 | 有哪些热门毫米波雷达芯片和解决方案?

毫米波雷达 | 超百亿美元的毫米波雷达都用在了哪里?

0
收藏
0