三相四线制配电具有稳定性高、适用范围广等优点,多应用于工商业、民用等低压配电场景,在传统的APF、UPS等应用里,三相四线变换器已被大量采用,近年来,工商业侧储能正以其经济性、电网友好性等特点蓬勃发展,其中离网应用场景下,不平衡负载的带载能力、谐波畸变度等都是其PCS的重要指标。SiC MOSFET结合三相四桥臂变换器在此应用场景具有明显的应用优势,本文上篇将介绍常用的三相四线变换器拓扑及特点以及不同于三相三线系统的调制方法,下篇将结合仿真实例说明SiC MOSFET在其中的应用优势与价值所在。
工商业储能系统离网运行时,可能存在单相负载和三相不平衡负载,即会产生三相不平衡电流,由于逆变器的输出阻抗不为零,根据对称分量法,输出电压将会包含零序和负序分量,三相三线变换器因为缺乏零序电流通路无法对零序分量进行补偿,因此若需解决三相不平衡电压问题,满足单相供电等需求,采用三相四线变换器拓扑是非常必要的,常见的拓扑形式有以下几种:
变压器方式
变压器方式,在传统的三相三桥臂变流器交流输出侧增加一个工频变压器可以最为简单的实现三相四线的供电。变压器的初级侧是三角形连接,因此零序分量在初级侧被短路,系统只需要考虑正序和负序分量的控制,这有助于简化控制方案。次级负载侧通过Yn连接为负载提供中线电流通路。但当负载不平衡程度较大时,这种拓扑结构无法很好地保持电压平衡,负载电压中的零序分量取决于变压器的漏抗,降低变压器漏抗可削弱零序分量造成的三相不平衡,此外,变压器会显著增加系统的体积和成本。
三相三桥臂分裂电容拓扑
三相三桥臂分裂电容拓扑,将负载中点与直流中点直接相连,如图2所示,实现三相四线的供电。这种解决方案不需要增加额外的功率器件和变压器,成本相对较低。但当负载不平衡时,不平衡电流会流入直流电容器,考虑长期使用寿命,电容容量需求更大,同时需要增加中点电压不平衡控制策略以及零序控制。该拓扑结构的输出相电压只能在两个电平(-1/2Vdc,+1/2Vdc)之间跳变,相同开关频率下输出电流THD高于三相三线系统,相同母线电压下直流电压利用率更低。由于增加了零序电流路径,空间矢量脉宽调制(SVPWM)无法控制零轴分量,需要采用三维空间矢量调制(3D-SVPWM)或载波调制方法。事实上,一旦交流中点和直流中点相连,三相系统则变成三个独立的单相电路,因此不论是载波调制还是3D-SVPWM,最终的调制效果都与单相SPWM的调制效果一致。在必须使用三相四线接线制式的应用场合,为提高谐波抑制性能,在成本允许的情况下,多重化技术将是不错的选择,或者提高开关频率。总体来讲这种拓扑抑制三相电压不平衡的能力有限。
平衡桥臂式三相四线变换器
平衡桥臂式三相四线变换器,这种拓扑也被广泛使用,负载中点连接到直流母线中点,平衡支路通过高频电感也连接到直流母线的中点。通过控制平衡桥功率器件的开通关断来调配两个半母线电容能量,使平衡桥臂支路电流和负载中线电流相互抵消,以确保中点电压相对稳定和三相电压平衡,三相桥的控制方法与分裂电容式拓扑相同。对于这种拓扑结构,抑制三相电压不平衡的能力有所提高,且主要取决于平衡支路的硬件能力。
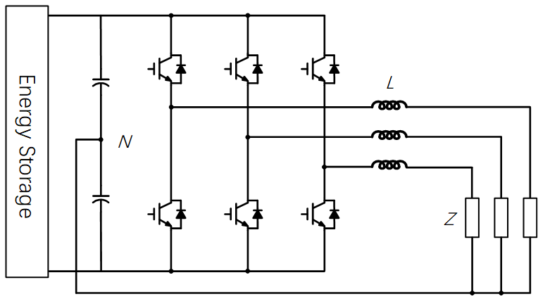
三相四桥臂变换器拓扑
三相四桥臂变换器拓扑如图四所示,负载中点直接连接到第四桥臂的交流输出点。第四桥臂为不平衡电流提供了通路同时增加了一个控制自由度,可以将三相电压解耦为三个独立的单相控制。与分裂电容式的三相四线拓扑结构相比,直流电容的容量需求降低,这有利于减小装置体积重量。控制中,三相四桥臂变换器多使用三次谐波注入的载波调制方法或3D-SVPWM调制方法,与上述其他拓扑相比,可以实现更高的直流电压利用率,下文将会进一步讨论。三相四桥臂拓扑虽然增加了一定的功率器件成本,但具有最强的不平衡负载带载能力,广泛应用于户用、工商业储能PCS中。
对三相四桥臂变换器建模分析表明,与三相强耦合的三相三桥臂变流器不同,三相四桥臂变换器可以解耦为三个独立的全桥变换器,特别是在三相负载不平衡的离网应用时,可以通过V/F方式独立控制并建立输出电压,输出相电压不会相互影响。通常采用三次谐波注入的载波调制方法或3D-SVPWM调制方法,以获得更好的直流电压利用率和更小的输出谐波畸变。对于三相四桥臂变换器,3D-SVPWM调制空间在α β γ 坐标系中是一个六棱柱结构,其中𝛾代表零序分量。输出矢量所在三角棱柱区域的判断以及矢量合成过程相对复杂,与载波调制相比,在工程实际应用中不够友好。且有研究表明,这两种方法在最终调制效果上归一的。
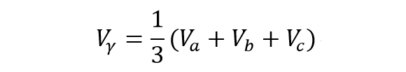
对于三相四桥臂变换器的载波调制方法,其调制波形如图六所示,数学表达式为:
上图蓝色曲线对应A相调制波形,B相和C相相位差分别为±120°,对其进行傅里叶展开,基波分量的幅值为2/√3sin(ωt),这意味着与正弦脉宽调制(SPWM)相比,提高了直流电压的利用率。第四桥臂直接应用三倍频正弦波进行调制,在相电压的输出中此分量可被消除。这种调制方法易于实现,且在工程中被广泛应用。




全部评论