符合AQG324标准的EasyPACK™采用了最新的CoolMOS™ CFD7A 650V芯片和一个集成的直流缓冲器Snubber电路。完美的性价比组合,适用于车载充电器和电动汽车辅助系统应用。
产品型号:
■ F4-35MR07W1D7S8_B11/A
产品特点
高度可靠的压接式针脚
预涂热界面材料(可选)
可实现紧凑系统设计
可集成SMD
应用价值
引脚-PCB连接非常良好
更好的热性能
减少装配工作量
设计自由度更高
减少器件并联
竞争优势
可进行灵活的引脚设计
降低系统成本
可实现紧凑系统设计
应用领域
电动汽车车载充电OBC
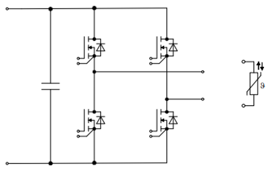
框图



全部评论