手机背壳呼吸灯作为视觉交互的重要载体,既是品牌辨识度的核心符号,也是用户情感连接的纽带。在超薄机身与复杂灯效的双重需求下,背壳呼吸灯面临着 “空间受限、功耗敏感、CPU负荷过重、灯效多样化” 的技术挑战。艾为灯语®系列驱动芯片通过硬件架构革新与灯效算法优化,构建了从芯片到灯效呈现的全链路技术解决方案,重新定义了手机背壳呼吸灯的技术标准。
一、核心技术挑战
相比较传统指示灯,手机背壳呼吸灯因其特殊的应用场景,技术难度显著提高,主要面临以下四大挑战:

表1 核心技术挑战
二、艾为灯语®的底层技术支撑体系
针对手机背壳呼吸灯的技术痛点,中国数模龙头艾为电子通过芯片集成设计、功耗优化、灯效控制等多维度创新,形成了完善的底层技术支撑体系,具体技术亮点如下:
性能优化:减轻CPU负荷,提升运行稳定性
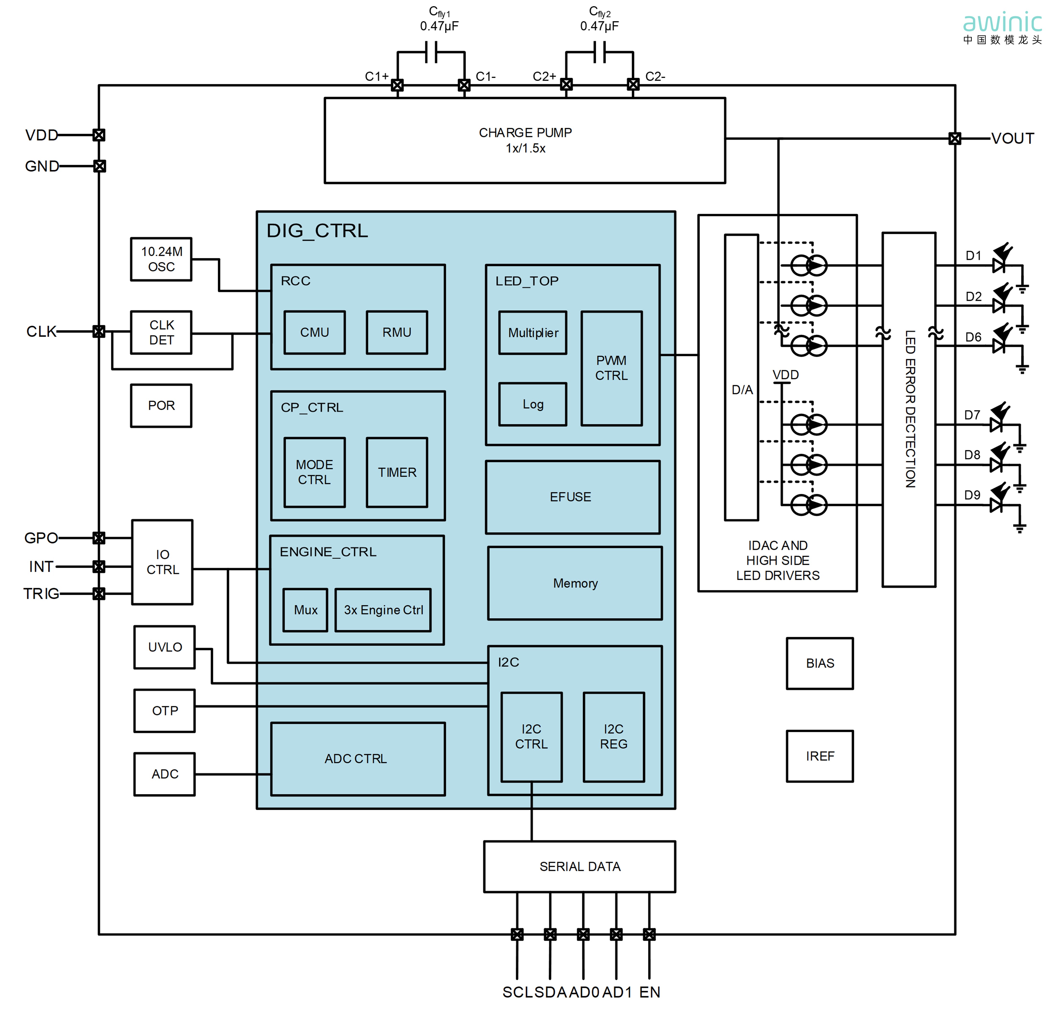
内置MCU分担资源:针对CPU负荷过重问题,艾为AW22118/AW22127/AW22216等芯片内置独立MCU+Flash架构,支持客制个性化灯效,无需占用主CPU资源。这一设计不仅优化了手机性能,还减少了因CPU高负载引发的散热问题。

图1 AW22127功能框图
功耗控制:全场景低功耗设计
- 智能亮度调节:艾为灯语系列产品支持 GCC(全局电流控制)、PWM(脉冲宽度调制)、Color(颜色控制)多维度调节:
- Color:用于配置灯效颜色,满足不同场景的视觉需求;
- PWM:实现灯效亮度的细腻变化,避免亮度突变带来的视觉不适;
- GCC:根据场景动态调整整体亮度,例如电池电量较低时减小 GCC 值,或针对日常、游戏、省电等模式设置专属 GCC 参数,从源头降低功耗。
- 休眠模式降耗:空闲状态下让芯片进入休眠模式,待机电流<1μA,较传统方案降低 90%,避免长期待机对电池容量的损耗,延长手机续航时间。
- 空间优化:集成化设计缩减占用体积
- 芯片集成升压功能:艾为新推出的AW21209,集成了1X/1.5X自适应charge pump升压,供电电压低至2.7V,且无需额外Boost升压芯片给LED供电。这一设计不仅简化了电路结构,还减少元件数量,显著节省了手机内部空间,为机身轻薄化创造了条件。

图2 AW21209功能框图
多厚度规格可选:
艾为呼吸灯有0.37mm/0.55mm/0.75mm/0.85mm/1.2mm等多种厚度的芯片,可根据手机机身设计需求灵活选择。
- 灯效丰富性:灵活模式实现复杂炫彩效果
- 双模式基础灯效:芯片支持Manual和Pattern模式,可轻松实现常亮和呼吸等基础灯效。
- 复杂灯效拓展:在Manual基础上,增加实时修改亮度和颜色,可实现流水灯、彩虹环、图案显示等复杂炫彩的灯效,满足用户对个性化的视觉体验的需求。
- 人机互动拓展:通过时域和频域混合算法,精准提取音乐节奏,经过动态增强节奏,经过同步声光转化算法。这一设计做到了声光同步,在语音互动、影音、游戏等场景实现人机互动。
三、实战案例
艾为灯语®系列芯片已在多款手机产品中实现落地应用,通过技术与场景的深度结合,为用户带来优质的视觉交互体验。其共性特征如下:

表2 技术维度与案例共性
Tecno POVA 6 Pro 环形呼吸灯
搭载艾为灯语®矩阵型呼吸灯驱动AW20216QNR芯片,实现 210 颗LED 的环形背壳灯效,技术亮点包括:
- 功耗表现:可以根据环境光和电池电量自动调整艾为矩阵呼吸灯驱动的所有灯珠的亮度;并精准控制每一个LED的电流, 使其精准控制每个场景下的功耗。
- 交互响应:收到消息时灯效启动延迟<30ms,支持与铃声节奏同步,实现 “声光协同” 效果。通过音频频谱分析算法,灯效强度随音量大小动态变化。
- 丰富灯效:在艾为灯语的加持下,用户可以根据9种场景随意设置101种灯效的同时,不用增加内部空间的占用。

图3 Tecno POVA 6 Pro Dynamic-Eye光效示意
GT20 机甲环路
该机型搭载艾为AW22127QNR驱动芯片,实现90颗微型 LED 的背壳呼吸灯效,核心技术如下:
- 硬件设计:采用LED灯珠降低功耗,引入带MCU的灯效驱动芯片分担主处理器压力。
- 软件设计:通过PWM和Color精准调试每颗灯珠的亮度和颜色,实现多级亮度和256*256*256种颜色配比;并搭载了艾为的灯随音动算法做了丰富的灯随音动效果。
- 用户体验:可以针对不同APP、不同信息设置专属灯效,也可以根据游戏、影音和日常等场景设置不同的灯效。




图4 GT20光效示意
nothing phone 2
该机型搭载艾为AW20036QNR驱动芯片,为背壳的Glyph界面提供了动力,核心技术如下:
- 精准的灯光控制:手机通过64级DIM和256级FADE精准控制Glphy界面上每颗灯珠的亮度和颜色,通过Glyph界面就能获取到对应的信息,例如外卖状态、倒计时、打车时间等等。
- 丰富的交互场景:用户可以为每个联系人或应用程序创建其独特的闪烁灯光序列,Glphy右上角的灯与特定App的通知互动;Glphy界面编辑器自定义灯光和声音效果,激活Google语音助手时,Glphy灯组可展示手机的收音状态,增加了人机互动的趣味性。
四、丰富的呼吸灯驱动
除了上述提到的呼吸灯驱动IC,中国数模龙头艾为电子拥有直驱型、矩阵型、GPIO+LED二合一、“灯随音动”型等多种驱动IC,每一颗都拥有其独特的优势,使其可以广泛应用于不同设计、不同型号的手机。

表3 矩阵型呼吸驱动选型表

表4 直驱型呼吸灯驱动选型表
全部评论