在汽车智能化和智慧安防快速发展的今天,360环视系统 已成为保障行车与场景安全、提升体验的重要技术。无论是自动泊车、驾驶辅助,还是智慧社区监控,核心诉求都是能够接入 多路摄像头,并通过高效的 推流 实现低延迟显示与存储。然而,传统硬件平台在接入路数、实时性与稳定性方面常有瓶颈,难以支撑更大规模、更高质量的视频处理场景。
为此,越来越多的企业在构建360环视硬件平台时选择 米尔RK3576开发板。凭借先进的 SoC 架构与完善的多媒体引擎,它不仅具备 12路摄像头 的高清视频接入能力,还能将编码与 RTSP 低延迟推流 组合成体系化方案,为360环视提供稳定可靠的底座。

米尔RK3576开发板
一、360环视的核心技术需求
· 多路摄像头实时接入:360环视通常涉及前、后、左右及顶置等多角度画面,实际工程中对路数的要求常常在 8~12 路甚至更多。
· 高效推流与低延迟:泊车与行驶场景对实时性敏感,端到端延迟需要尽量压低,一般建议控制在 200ms 以内。
· 高清视频与高效编码:在保证 1080P 画质的同时,需要尽可能提升编码效率以节省带宽与存储成本。
二、米尔RK3576开发板的关键优势
强大性能架构:RK3576 采用先进 8nm 工艺,集成 四核 Cortex-A72(2.2GHz)+ 四核 Cortex-A53(2.0GHz) 的大小核架构,配合 Mali-G52 MC3 GPU 与 6TOPS NPU,可兼顾高清视频处理与 AI 识别/融合计算。
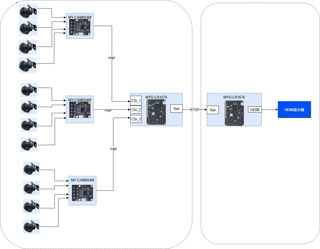
12路摄像头接入:通过 3 路 4-lane MIPI-CSI 与配套转换模块,可并行接入 12 路 1080P@30fps 摄像头画面,天然契合 360 环视的多视角覆盖诉求。
低延迟 RTSP 推流:在米尔优化方案中,RK3576 将多路视频进行 RGA 图像预处理与 VPU 硬件编码(H.264),经网络 RTSP 推流 到接收端解码显示,端到端延迟约 120~150ms(编码侧 80~100ms + 传输/解码 40~50ms),满足车载与安防对实时性的要求。
资源均衡与稳定可靠:RGA、VPU、CPU、GPU 等模块各司其职,负载均衡、长时运行稳定,有利于工程化落地与规模部署。
三、360环视典型应用场景
· 车载环视与自动泊车:融合 12 路多视角画面,提供车辆周边全景视野,显著提升泊车安全与驾驶体验;NPU 可同时用于目标检测与轨迹辅助。
· 智能安防监控:多路摄像头同时接入,支持高清实时推流与录像回放,实现园区/工地/商用场所的无死角覆盖。
· 工业视觉处理网关:在产线侧对缺陷、动作与工序进行识别与统计,多路同步更利于跨工位协同与对比分析。
· 智慧社区 AI 防控:基于 6TOPS NPU 可扩展高空抛物、陌生人闯入、电动车进电梯等识别场景,实现前端边缘智能与快速响应。

RK3576获取12路 摄像头数据编码传输数据到板子显示过程
四、总结与获取更多信息
综上,米尔RK3576开发板以 多路摄像头 并发接入、12路摄像头 高清处理与 低延迟推流 的方案能力,构建起 360 环视的坚实硬件底座;在车载、安防、工业与社区等多元场景中,兼具高效、稳定与可扩展性。
想了解更多关于米尔RK3576核心板/开发板的详细信息?
欢迎访问我们产品页面:https://www.myir.cn/shows/151/81.html
全部评论