在数字化浪潮席卷千百行业的今天,数据已成为驱动决策、保障合规、优化效率的核心资产。从冷链物流的温度监控到科研实验的环境参数记录,高效、可靠的数据采集与记录,是支撑各行业稳健运行与创新突破的刚性需求。
然而,传统数据记录器常因功耗高、连接复杂、成本居高不下等问题,难以满足现代工业对便携性、实时性与经济性的严苛要求。洞察到这一挑战,瑞萨电子推出一款低功耗、高性价比的USB数据记录器解决方案,旨在从根本上简化数据采集流程,通过创新的集成设计与性能优化,为用户提供了一种即插即用、持久耐用且成本可控的数据记录方式。
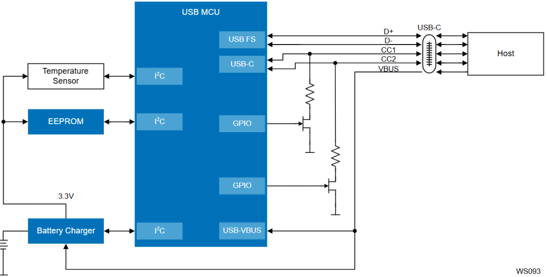
本方案的核心采用RA2L2 MCU,该MCU基于48MHz Arm Cortex-M23处理器,拥有丰富的功能特性,并全面支持USB-C Revision 2.4新标准,是USB数据记录仪、充电箱、条码扫描仪等便携式设备的理想解决方案。
RA2L2 MCU采用瑞萨专有低功耗技术,在性能与能效间实现卓越平衡:其工作电流低至87.5µA/MHz,软件待机电流仅250nA,可显著延长电池续航时间。此外,该MCU为低功耗UART提供独立工作时钟,可在接收来自Wi-Fi和/或低功耗蓝牙®模块的数据时可用于唤醒系统,从而进一步降低系统功耗。基于上述指标,若设备使用两节AA电池,每天进行1万条数据记录,整体功耗仅为2~3mWh/天,可支持系统连续运行超过半年。
此外,得益于RA2L2 MCU集成的USB全速(FS)功能与Type-C检测技术,本方案可实现无缝连接,并支持作为受电端运行。同时MCU内置RD端接电阻与VBUS检测功能,可减少外部元件数量,降低系统BOM成本。
在数据储存方面,为确保数据写入的可靠性与持久性,本方案搭载高速低功耗EEPROM存储器——R1EX25512A。该存储器采用先进的MONOS存储器技术和CMOS低功耗工艺以及低电压电路技术,具备128字节页面写入能力,支持超过100万次写入循环,并在常温下实现超过100年的数据保存时间。这些特性确保即使在电源意外断电等极端工况下,数据也能长期稳定留存,满足科研与工业级记录设备对高可靠性的严苛需求。
在电源管理方面,该方案集成DA9168电池管理芯片和RAA489110 Buck-Boost可配置电池充电器IC。其中,DA9168芯片集成双路独立LDO,具备反向升压功能,可支持USB On-The-Go(USB-OTG)标准,具有极低的静态电流消耗和非常紧凑的占位面积,非常适用于注重空间设计与功耗敏感的电池供电型设备。
搭配DA9168,方案采用RAA489110 Buck-Boost可配置电池充电器IC,支持2至4节锂电池串联配置,具备NVDC直充与HPBB旁路模式,支持反向供电能力,并具备对USB-C PD输出进行PPS电压调节的硬件支持。通过外部MCU或PD控制器的固件协同,该芯片能够响应PPS电压/电流请求,实现对PD输出的动态控制。同时,RAA489110内置SMBus通信接口,结合瑞萨R3™控制技术,可实现灵活配置、快速动态响应和高效率电源管理,适应多源供电需求,为系统稳定运行提供保障。
瑞萨USB数据记录器方案深度融合了RA2L2 MCU的高性能、高速EEPROM的可靠存储以及出色的电源管理技术,能够有效延长电池使用寿命并提高能效,保障系统长期运行。


全部评论