技术 | 内置增益设置电阻的放大器和分立差动放大器的区别

来源: 亚德诺半导体 作者:ADI 2025-06-26 09:55:18

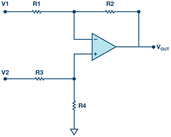
经典的分立差动放大器设计非常简单,一个运算放大器和四电阻网络有何复杂之处?经典的四电阻差动放大器如图1所示,但是这种电路的性能可能不像设计人员想要的那么好。本文从实际生产设计出发,讨论了与分立电阻相关的一些缺点,包括增益精度、增益漂移、交流共模抑制(CMR)和失调漂移等方面。

图1. 经典分立差动放大器

该放大器电路的传递函数为:

若R1 = R3且R2 = R4,则公式1简化为:

这种简化有助于快速估算预期信号,但这些电阻绝不会完全相等。此外,电阻通常有低精度和高温度系数的缺点,这会给电路带来重大误差。

  
例如,使用良好的运算放大器和标准的1%、100ppm/°C增益设置电阻,初始增益误差最高可达2%,温度漂移可达200ppm/°C。为解决这个问题,一种解决方案是使用单片电阻网络实现精密增益设置,但这种结构很庞大且昂贵。除了低精度和显著的温度漂移之外,大多数分立差动运算放大器电路的CMR也较差,并且输入电压范围小于电源电压。此外,单片仪表放大器会有增益漂移,因为前置放大器的内部电阻网络与接入RG引脚的外部增 益设置电阻不匹配。

  
解决所有这些问题的最佳办法是使用带内部增益设置电阻的差动放大器,例如AD8271。通常,这些产品由高精度、低失真运算放大器和多个微调电阻组成。通过连接这些电阻可以创建各种各样的放大器电路,包括差动、同相和反相配置。芯片上的电阻可以并联连接以提供更广泛的选项。相比于分立设计,使用片内电阻可为设计人员带来多项优势。

图2. 增益误差与温度的关系——AD8271与分立解决方案比较

交流性能

在电路尺寸方面,集成电路比印刷电路板(PCB)小得多,因此相应的寄生参数也较小,对交流性能有利。例如,AD8271运算放大器的正负输入端有意不提供输出引脚。这些节点不连接到PCB上的走线,电容保持较低,从而提高环路稳定性并优化整个频率范围内的共模抑制。性能比较参见图3。

图3. CMRR与频率的关系——AD8271与分立解决方案CMRR比较

差动放大器的一项重要功能是抑制两路输入的共模信号。参考图1,如果电阻R1至R4不完全匹配(或者当增益大于1时,R1、R2和R3、R4的比率不匹配),那么部分共模电压将被差动放大器放大,并作为V1和V2之间的有效差压出现在VOUT处,其无法与实际信号相区分。如果电阻不理想,那么部分共模电压将被差动放大器放大,并作为V1和V2之间的有效差压出现在VOUT处,其无法与实际信号相区分。

  
差动放大器抑制这一部分电压的能力称为共模抑制。该参数可以表示为共模抑制比(CMRR)或转换为分贝(dB)。分立解决方案的电阻匹配不如集成解决方案中的激光调整电阻匹配那么好,这可以从图4中输出电压与CMV的关系曲线看出来。

图4. 输出电压与共模电压的关系——AD8271与分立解决方案比较

假设使用理想运算放大器,则CMRR为:

其中,d为差动放大器的增益,t为电阻容差。因此,对于单位增益和1%电阻,CMRR为50V/V或约34dB;使用0.1%电阻时,CMRR增加到54dB。即使采用具有无限大共模抑制的理想运算放大器,整体CMRR也会受电阻匹配的限制。某些低成本运算放大器具有60 dB至70 dB的最小CMRR,使误差更为糟糕。

  
低容差电阻

放大器在其指定工作温度范围内通常表现良好,但必须考虑外部分立电阻的温度系数。对于带有集成电阻的放大器,电阻可以进行漂移调整和匹配。布局通常使电阻相互靠近,因此它们会一同漂移,从而降低其失调温度系数。在分立情况下,电阻在PCB上散开,匹配情况也不如集成方案,产生的失调温度系数会更差,如图5所示。

图5. 系统失调与温度的关系——AD8271与分立解决方案比较

无论是分立式或是单芯片,四电阻差动放大器的使用都非常广泛。由于只有一个器件放置在PCB上,而不是多个分立元件,因此可以更快速、更高效地构建电路板,并节省大量面积。

  
为了获得稳定且值得投入生产的设计,应仔细考虑噪声增益、输入电压范围和CMR(达到80dB或更高)。这些电阻均采用相同的低漂移薄膜材料制成,因此在一定温度范围内可提供出色的比例匹配。

专题

查看更多
IC品牌故事

IC 品牌故事 | 三次易主,安世半导体的跨国迁徙

IC 品牌故事 | 开放合作+特色深耕,华虹的突围之路

IC 品牌故事 | Wolfspeed:从LED到SiC,被中国厂商围追堵截的巨头

人形机器人

市场 | 全球首家机器人6S店在深圳龙岗开业

方案 | Allegro解决方案助力机器人应用提升效率、可靠性和创新

方案 | 爱仕特SiC三电平方案:突破工商储能PCS高效极限

毫米波雷达

毫米波雷达 | 智能驾驶不可或缺的4D毫米波雷达技术全解析

毫米波雷达 | 有哪些热门毫米波雷达芯片和解决方案?

毫米波雷达 | 超百亿美元的毫米波雷达都用在了哪里?

0
收藏
0