技术 | 突破光耦合的温度限制,实现功率密度非常高的紧凑型电源设计

来源: 亚德诺半导体 作者:ADI 2025-06-25 09:40:16

对于电气隔离电源,您必须确定电气隔离控制器IC在初级或次级的哪一端将会导通,如果它位于次级端,则必须通过电气隔离提供对初级端电源开关的控制。

一般而言,无论是初级端的控制器还是次级端的控制器,在两种架构中都需要可越过电气隔离进行信号传输的路径,通常为光耦合器(或光隔离器)。然而,它们会带来一些不利因素:它们的额定温度通常仅为85°C,电流传输比(CTR)随时间而改变,这意味着它们的传输行为在电路使用寿命期间会发生变化。此外,还需要其他元件来控制光耦合器,如果使用光耦合器,隔离式电源的反馈环路速度通常很慢。

  

近年来,针对该问题已开发出一些简洁的解决方案,例如反激式控制器,通常用于需要对电源电压进行电气隔离并且输出功率低于60W的应用中。它不直接测量输出电压,通过监测初级端变压器绕组两端的电压,可以得到有关实际输出电压足够准确的判据。其调节精度取决于应用的常用条件,包括输入和输出电压、负载变化和电压变化。

  
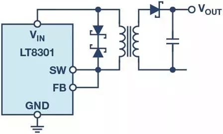
对于许多应用而言,±10%至±15%的调节精度已经足够。图1所示为LT8301,由于集成了电源开关,并采用SOT23封装,IC仅需很少的外部元件,电路的隔离击穿电压仅取决于所用变压器,因此可提供极大的灵活性,尤其是在要求非常高的隔离电压时。

图1. 无需隔离反馈路径的LT8301反激式稳压器。

不过,对于需要更高输出电压控制精度的应用,还有另一个有趣的解决方案——ADI面向市场推出的反激式控制器ADP1071,它包含一个采用iCoupler®技术的完全集成式反馈路径,图2显示了其仅需极少数量无源元件的电路。

  
ADP1071包含初级端控制器、可提高转换效率的次级端有源整流控制器,以及完全集成式反馈路径,可实现非常快速的反馈环路。通过采用该解决方案,输出电压调节非常准确,更重要的是非常快速,即使在负载瞬变很大时也不例外,可允许的工作温度高达125°C硅片温度。

图2. ADP1071反激式控制器具有集成式反馈路径,可实现非常精确的调节。

其最大隔离电压取决于所选变压器以及开关稳压器IC采用的隔离技术,芯片的最大隔离电压为5kV,已申请符合VDEV0884-10的增强绝缘分类等级。

  
上述两款有趣的解决方案均可用于开发电气隔离电源。根据应用情况,无需反馈路径的解决方案或具有完全集成式反馈路径的解决方案都有可能是合适的,由于它们不再受光耦合器85°C工作温度的限制,LT8301与ADP1071可实现功率密度非常高的紧凑型电源设计。

专题

查看更多
IC品牌故事

IC 品牌故事 | 三次易主,安世半导体的跨国迁徙

IC 品牌故事 | 开放合作+特色深耕,华虹的突围之路

IC 品牌故事 | Wolfspeed:从LED到SiC,被中国厂商围追堵截的巨头

人形机器人

市场 | 全球首家机器人6S店在深圳龙岗开业

方案 | Allegro解决方案助力机器人应用提升效率、可靠性和创新

方案 | 爱仕特SiC三电平方案:突破工商储能PCS高效极限

毫米波雷达

毫米波雷达 | 智能驾驶不可或缺的4D毫米波雷达技术全解析

毫米波雷达 | 有哪些热门毫米波雷达芯片和解决方案?

毫米波雷达 | 超百亿美元的毫米波雷达都用在了哪里?

0
收藏
0