瑞萨:用于连续血糖监测(CGM)的闭环操作胰岛素泵

来源: 瑞萨电子 作者:瑞萨君 2024-07-12 10:20:20

对于糖尿病患者而言,严格控制血糖水平至关重要,因为它可以有效预防糖尿病并发症。然而,传统的血糖监测方式(指尖采血)存在检测频率低、操作繁琐等弊端,难以帮助患者便捷、实时了解血糖变化。

  
连续血糖监测(CGM)可实时自动评估患者的血糖水平(也称为血糖),并帮助其在饮食、运动和药物方面做出更可靠的决定,保持最佳血糖水平可以预防糖尿病并发症。定期使用CGM可增强血糖管理,减少紧急情况,并最大限度地减少手指刺伤。

对此,瑞萨推出了用于连续血糖监测(CGM)的闭环操作胰岛素泵解决方案。糖尿病患者现在可以通过使用胰岛素泵而不是手动注射来更方便地控制血糖水平。该装置模仿人体的自然胰岛素释放,在白天和晚上提供稳定的基础胰岛素流动,并在进餐时提供额外的推注剂量以调节血糖峰值。

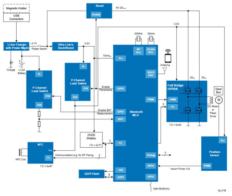
胰岛素泵系统框图
胰岛素泵-具有替代产品的系统框图

 

主要器件介绍 

1、RX23W MCU

 

该解决方案采用瑞萨RX系列32位高功效MCU——RX23W,集成了对低功耗蓝牙® 5.0及物联网设备至关重要的安全功能,以及触摸按键、USB、CAN等丰富的外设功能,可在单个芯片上实现Bluetooth®5无线通信和系统控制。RX23W MCU具有对低功耗蓝牙5.0远距离和Mesh网络的全功能支持,并提供出色的接收性能。
 

此外,RX23W产品集成了天线匹配电路和振荡器的匹配电容。高集成度可实现模块尺寸的小型化,但是不妨碍使用微控制器外围功能引脚。该模块已通过日本、北美(FCC/ISED)和欧洲(CE)的无线电认证,能够节省用户的RF设计和无线电认证时间,从而缩短产品上市时间。

  

2、PTX105R NFC控制器

 

NFC技术可实现传感器和泵之间的安全通信。PTX105R是一款性能优异的物联网应用NFC控制器。它采用独特的正弦波架构,PTX105R是适用于小型物联网场景的优化解决方案。与传统的方波NFC控制器相比,PTX105R具有卓越的灵敏度、精确的数字波束成形技术,精简了物料清单,实现了最佳的互操作性,简化了FCC认证过程,能够更高效地达到NFC Forum规范。
 

3、电源管理

  

对于连续血糖监测(CGM)这样的应用而言,低功耗至关重要。该解决方案采用了高度集成的高频、高效的ISL97519A升压稳定器,关机时消耗电流小于1µA;ISL9122A升-降压开关稳压器,在稳压模式下具有极低的静态电流消耗,仅为1300nA;还有专为具有超低静态电流的负载切换应用而设计的SLG59M1557V。
完全集成的高输入ISL9301单节锂离子电池充电器,具有单独的电源路径为系统负载供电并为电池充电,允许系统使用至完全放电的电池,并最大限度延长电池寿命。

  
4、低功耗蓝牙® SoC—DA14592

 

DA14592是一款中端低功耗蓝牙®(LE)SoC,在同类产品中具有极低的功耗和极小的布板尺寸。DA14592在 0dBm时的无线电发射电流仅为2.3mA,无线电接收电流为1.2mA,帮助瑞萨在极低功耗无线应用领域中保持领先地位。此外,它还支持90nA的超低休眠电流,从而延长了带电池终端产品的待机时间。对于需要外部拓展应用的产品,它可以达到34μA/MHz的超低运行功耗。 
 

5、混合信号逻辑和高压H桥芯片——SLG47105

  

SLG47105将混合信号逻辑和高压H桥功能整合在一个微型2x3 mm QFN封装中。集成的双H桥/四半桥功能允许以高达13.2V的电压驱动每个输出高达2A的不同负载。SLG47105先进的PWM宏单元能够以不同的PWM频率和占空比驱动多个电机。低空闲电流消耗与紧凑尺寸相结合,进一步扩展了可能的应用领域。这种高度通用的设备允许在微型且热效率高的IC中设计各种混合信号功能以及高压功能。

  

6、位置传感器——ZMID4200

 

具有模拟输出的电感式位置传感器IC ZMID4200,可用于工业和消费应用中的绝对旋转和线性运动传感。
 

通过集成高效的MCU、低功耗蓝牙和NFC技术,瑞萨闭环胰岛素泵系统解决方案实现了智能、可靠且安全的胰岛素输送与血糖监测,为糖尿病患者提供了更加便捷、有效和安全的血糖管理方案,帮助他们远离并发症,享受更健康的生活。更多方案信息请点击文末阅读原文访问查看。

专题

查看更多
IC品牌故事

IC 品牌故事 | 三次易主,安世半导体的跨国迁徙

IC 品牌故事 | 开放合作+特色深耕,华虹的突围之路

IC 品牌故事 | Wolfspeed:从LED到SiC,被中国厂商围追堵截的巨头

人形机器人

市场 | 全球首家机器人6S店在深圳龙岗开业

方案 | Allegro解决方案助力机器人应用提升效率、可靠性和创新

方案 | 爱仕特SiC三电平方案:突破工商储能PCS高效极限

毫米波雷达

毫米波雷达 | 智能驾驶不可或缺的4D毫米波雷达技术全解析

毫米波雷达 | 有哪些热门毫米波雷达芯片和解决方案?

毫米波雷达 | 超百亿美元的毫米波雷达都用在了哪里?

0
收藏
0