芯查查logo
  • 物料选型
  • 数据服务
    1. 新产品
    2. 查替代
    3. 丝印反查
    4. 查品牌
    5. PCN/PDN
    6. 查方案
    7. 查代理
    8. 数据合作
  • SaaS/方案
      SaaS产品
    1. 供应链波动监测预警
    2. 半导体产业链地图
    3. BOM管理
    4. 解决方案
    5. 汽车电子
    6. 政府机构
    7. 数据API
  • 商城
  • 行业资讯
    1. 资讯
    2. 直播
  • 论坛社区
    1. 论坛
    2. 学习
    3. 测评中心
    4. 活动中心
    5. 积分商城
  • 查一下
欣喜的飞机
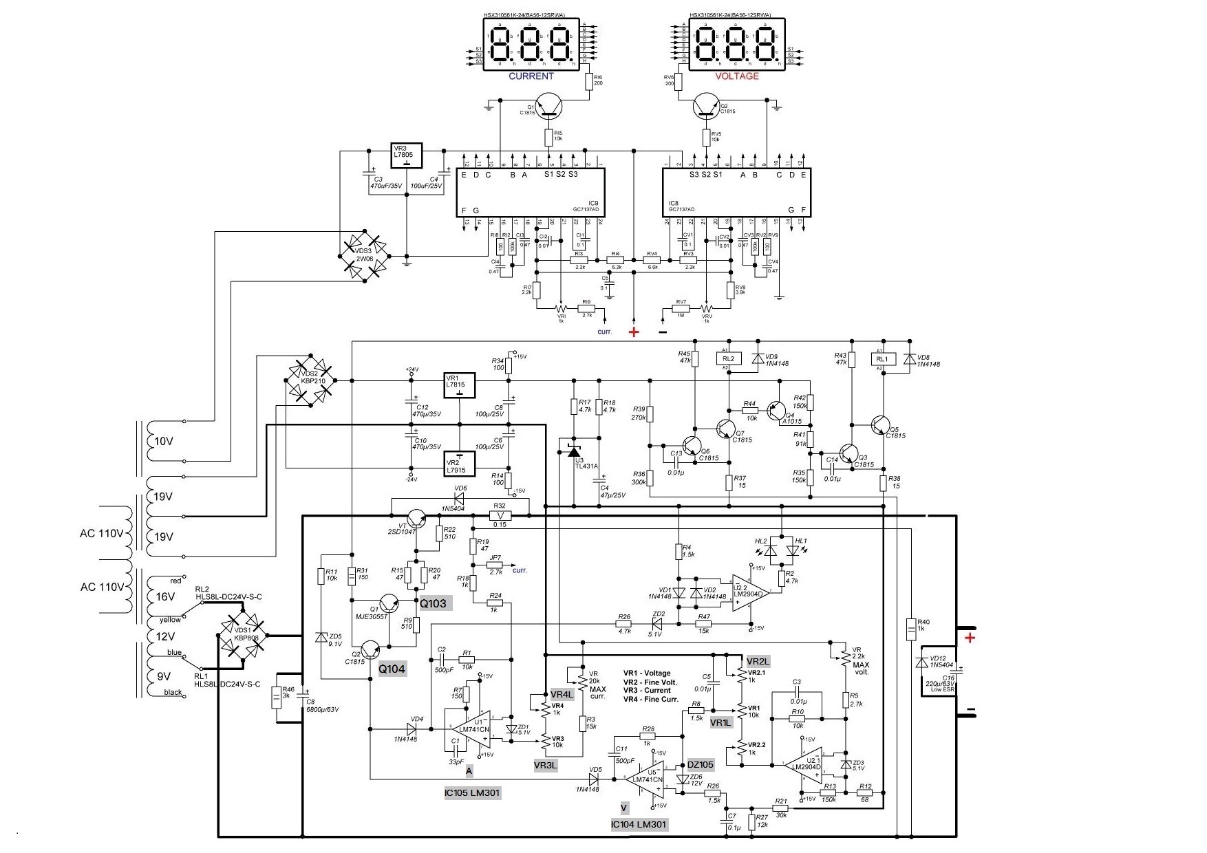
PS-305电源原理图

在@圆葱 那回帖发布老是失败,算了,还是单独发个贴吧,PS-305电源原理图,维修和研究应该有用!

ヾノ≧∀≦)o

维修 每日一图
版块: 抄图联盟
2024/11/22 15:03
  • 举报
😁😂😃😄😅😆😉😊😋😌😍😏😒😓😔😖😘😚😜😝😞😠😡😢😣😤😥😨😩😪😫😭😰😱😲😳😵😷😸😹😺😻😼😽😾😿🙀🙅🙆🙇🙈🙉🙊🙋🙌🙍🙎🙏✂✅✈✉✊✋✌✏✒✔✖✨✳✴❄❇❌❎❓❔❕❗❤➕➖➗➡➰🚀🚃🚄🚅🚇🚉🚌🚏🚑🚒🚓🚕🚗🚙🚚🚢🚤🚥🚧🚨🚩🚪🚫🚬🚭🚲🚶🚹🚺🚻🚼🚽🚾🛀Ⓜ🅰🅱🅾🅿🆎🆑🆒🆓🆔🆕
@好友

全部评论

加载中
游客登录通知
已选择 0 人
自定义圈子
移动
发布帖子
发布动态
发布问答
最新帖子
【开源】基于UC3842芯片的24V3A反激式开关电源【星允派 NEBULA PI】18:使用PWM驱动RGB灯【星允派 NEBULA PI】17:使用消息队列创建工程项目【拆解活动】开源恒温加热台拆解分析5A快速充电宝1.0
热门版块
查看更多
问型号
问技术
问行情
每日打卡
汽车电子工程师论坛
工业电子专区
新手入门指南
专家问答
单片机/MCU论坛
PCB设计

373

收藏

分享

微信扫码
分享给好友

评论